Forma na doniczkę prostokątną

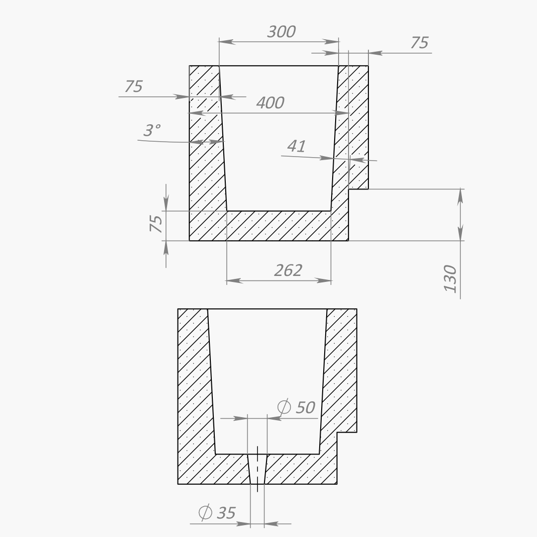
Celem było wykonanie prostokątnej formy na doniczkę z rowkiem umożliwiającym oświetlenie od spodu.

Klient przesłał nam wstępną wizualizację. Przejrzeliśmy ją i wprowadziliśmy poprawki – dostosowaliśmy kąty pochylenia i grubość ścianek, aby forma była łatwa w użyciu. Jednocześnie zachowaliśmy oryginalny projekt donicy.

Przed rozpoczęciem produkcji stworzyliśmy model 3D, obliczyliśmy objętość, wagę i środek ciężkości, a następnie uzgodniliśmy z klientem ostateczny projekt.

Gotowa forma jest w pełni zgodna z wymaganiami klienta.

Jeśli jesteś zainteresowany tym produktem lub chciałbyś stworzyć coś podobnego, skontaktuj się z nami:

📧 Adres e-mail: vivatmoulds@gmail.com
📞 Telefon:  +38 (095) 14 65 212

Formy niestandardowe (#8)
PL
📩 Napisz do mnie